安嘉安气瓶信息查询平台
(气瓶电子合格证)

气瓶产品合格证电子版(正面)
  • 068250792711
  • 068900953898
  • 933
  • YSP35.5/贰/14.8
  • 液化石油气
  • 14.8
  • 15.2
  • 35.5
  • HP295
  • 2.3
  • 3.2
  • 2.1
  • 整体正火
  • TS2261018S-2029
  • 2025.10
  • 陕西安嘉安压力容器有限公司
  • 0917-7586222
  • 陕西省宝鸡市凤翔区城关镇凤颂路陆港产业园内
  • 充装信息: http://bzyhq.tianshanzw.cn:8680/gasCylinderInfo?code=068900953898
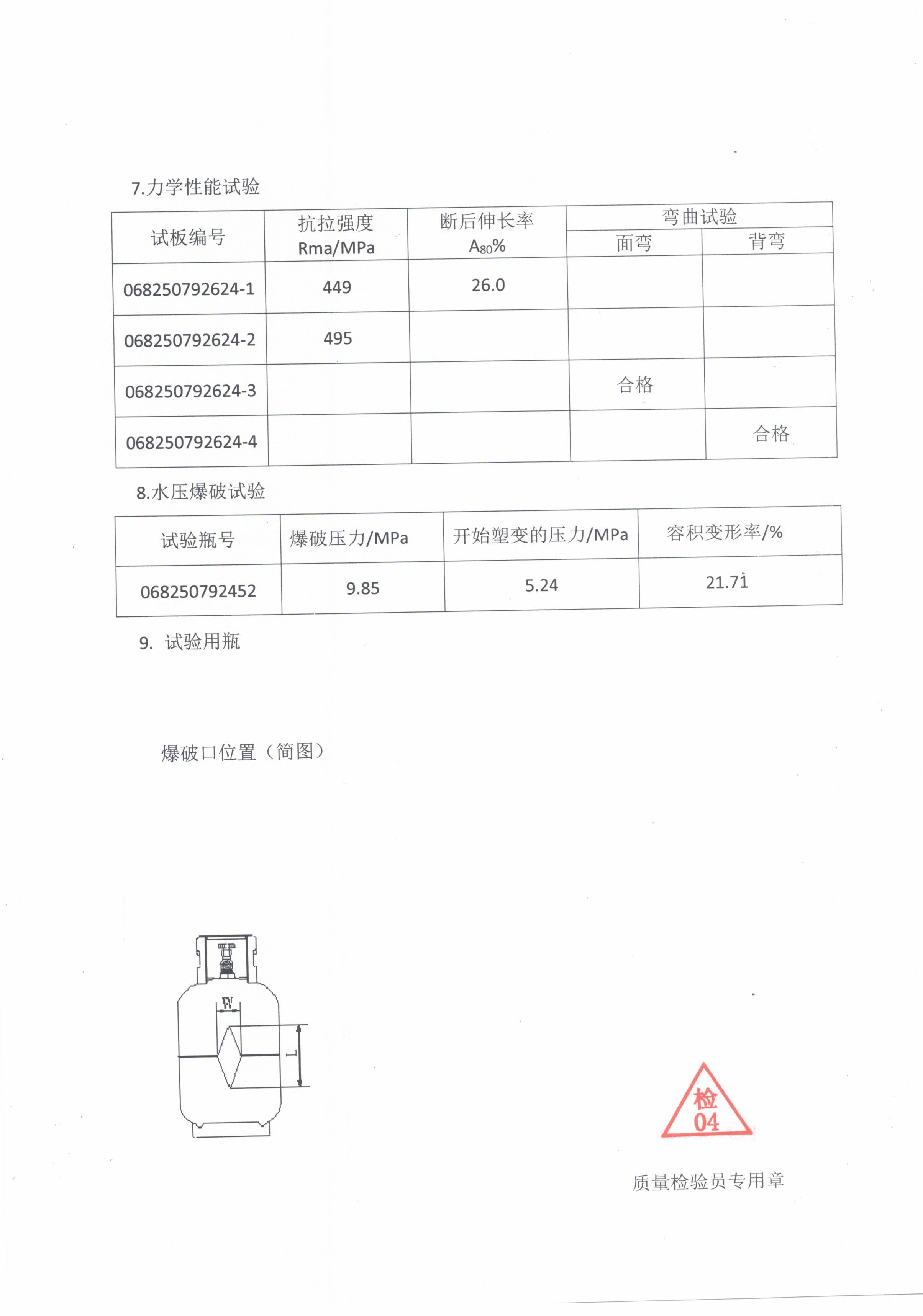
  • 本产品的制造符合 GB 5842-2023 要求,经检验合格
...
气瓶使用说明书(背面)
  1. 气瓶的充装、贮运、使用和检验应严格遵守《气瓶安全技术规程》的规定。
  2. 气瓶必须保持直立使用。
  3. 气瓶放置地点不得靠近热源和明火,并与灶具保持1m以上的距离。
  4. 安装调压器时,应检查调压器上的密封圈是否完好无损,调压器拧紧后,应用肥皂水检查诟玉器与瓶阀连接处,不得漏气。
  5. 发现液化石油气泄漏时,应立即打开门窗通风散气,不可点火,不得开关电器设备或使用电话,以防引起燃爆火灾事故。
  6. 出现火灾事故时,应立即关闭瓶阀,并将气瓶转移至室外空旷处,以防爆炸。
  7. 严禁用任何热源对气瓶加热。
  8. 严禁私自更改气瓶的钢印标志或颜色。
  9. 严禁气瓶超量充装。
  10. 严禁将气瓶内的气体向其它气瓶倒装。
  11. 严禁用户自行处理瓶内残液。
  12. 气瓶的设计使用年限为8年。
首页